VBH´S POWERFUL OWN BRAND.
HOME /VBH WORLDWIDE /IMPRINT /DATA PROTECTION /TERMS /CONTACT /
 
 
        

Weatherboarding


Product data sheets
   greenteQ Weatherboarding

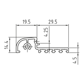
greenteQ Weatherboardings AD 0 – IV and MD II – V are made of high-quality anodised aluminium E6/C-0 (EV1). They serve for sealing doors and repelling water from them. Using a greenteQ Threshold, greenteQ Weatherboarding and a greenteQ Brush seal together permits an exceptionally high resistance to driving rain of up to 1,050 Pa. greenteQ Weatherboardings AD 0 - IV and MD II – V are suitable for use with plastic and wooden profiles.

 

Accessories include the greenteQ Side end cap pair for Weatherboardings AD 0 – IV and MD II - V with a matched design, including screws and a detachable connecting element for improved mounting.


The advantage of greenteQ Weatherboardings AD 0 – IV and MD II - V is the adjustable positioning of the greenteQ Brush seal from 10 mm to 17 mm. It can be installed in four or five differing positions and consists of polypropylene brushes. The brushes are treated with silicone and are water repellent. The integrated plastic lip as a middle bar serves for controlled drainage and ensures the highest degree of protection against the infiltration of air and water.

 

The three components are ideally matched to one another. Because greenteQ Side end cap pairs AD and MD are detachable, the greenteQ brush seal can be replaced easily.

 

Technical data:

 

Material Weatherboarding (AD & MD):   Aluminium E6/C-0 (EV1)
Material Endcaps (AD & MD):    PVC grey
Material Brush seal: Brushseal (grey) incl. PVC lip or silent fin
Screws Endcaps (AD & MD): A2 4x20 mm

 

Description Packaging unit VBH Item No.
Weatherboarding AD 0 6.0 m 999.990/2388
Weatherboarding AD I 6.0 m 396.480/0100
Weatherboarding AD II 6.0 m 396.481/0100
Weatherboarding AD III 6.0 m 396.759/0100
Weatherboarding AD IV 6.0 m 399.480/0100
Weatherboarding MD II 6.0 m 396.482/0100
Weatherboarding MD III 6.0 m 396.484/0100
Weatherboarding MD IV 6.0 m 999.990/2392
Weatherboarding MD V 6.0 m 217.269/9356

 

 

Accessories:


 

Description Packaging unit VBH Item No.
Pair of Endcaps AD 0-IV 50 pairs 396.497/1200
Pair of Endcaps MD II-IV 50 pairs 396.498/1200
Pair of Endcaps MD V 50 pairs 217.270/5250
Brush seal silent fin 10 mm 60.0 m 217.269/3402
Brush seal 17 mm 40.0 m 396.485/0017

 



BACK TO PRODUCTOVERVIEW
PRINT PAGE